• Scopus收录
  • CSCD来源期刊
  • 中文核心期刊

留言板

尊敬的读者、作者、审稿人, 关于本刊的投稿、审稿、编辑和出版的任何问题, 您可以本页添加留言。我们将尽快给您答复。谢谢您的支持!

姓名
邮箱
手机号码
标题
留言内容
验证码

2022年  第43卷  第1期

显示方式:
固体力学
小波方法及其力学应用研究进展
刘小靖, 周又和, 王记增
2022, 43(1): 1-13. doi: 10.21656/1000-0887.420388
摘要(2165) HTML (1048) PDF(282)
摘要:

小波理论在进行信号处理与函数逼近时体现出非常独特的时频局部性与多分辨分析能力,小波基函数则可兼具正交性、紧支性、低通滤波与插值性等优良的数学性质,这均使得小波分析理论在计算数学与计算力学领域具有很大的应用潜力,也进一步为这些领域的突破性发展带来了新的契机。自20世纪90年代以来,大量的研究已经证明,基于小波理论的数值方法在微分方程求解中具有非常明显的优势,但与此同时也暴露出了一些由小波基函数本身与其特有逼近方式所造成的数值计算应用局限。为了促进小波理论在计算数学与力学领域的创新性应用,给研究人员提供新的研究视角,该文简要梳理了小波分析的发展背景以及基于小波理论的数值方法的研究历史,并着重讨论分析了后者所面临的问题,以及近年来针对这些问题中的基础性难题所取得的研究进展。这些总结与评述有望为后续进一步发展并完善基于小波理论的定量数学求解方法,以及拓展其在力学乃至广泛工程问题求解中的应用提供有意义的参考。

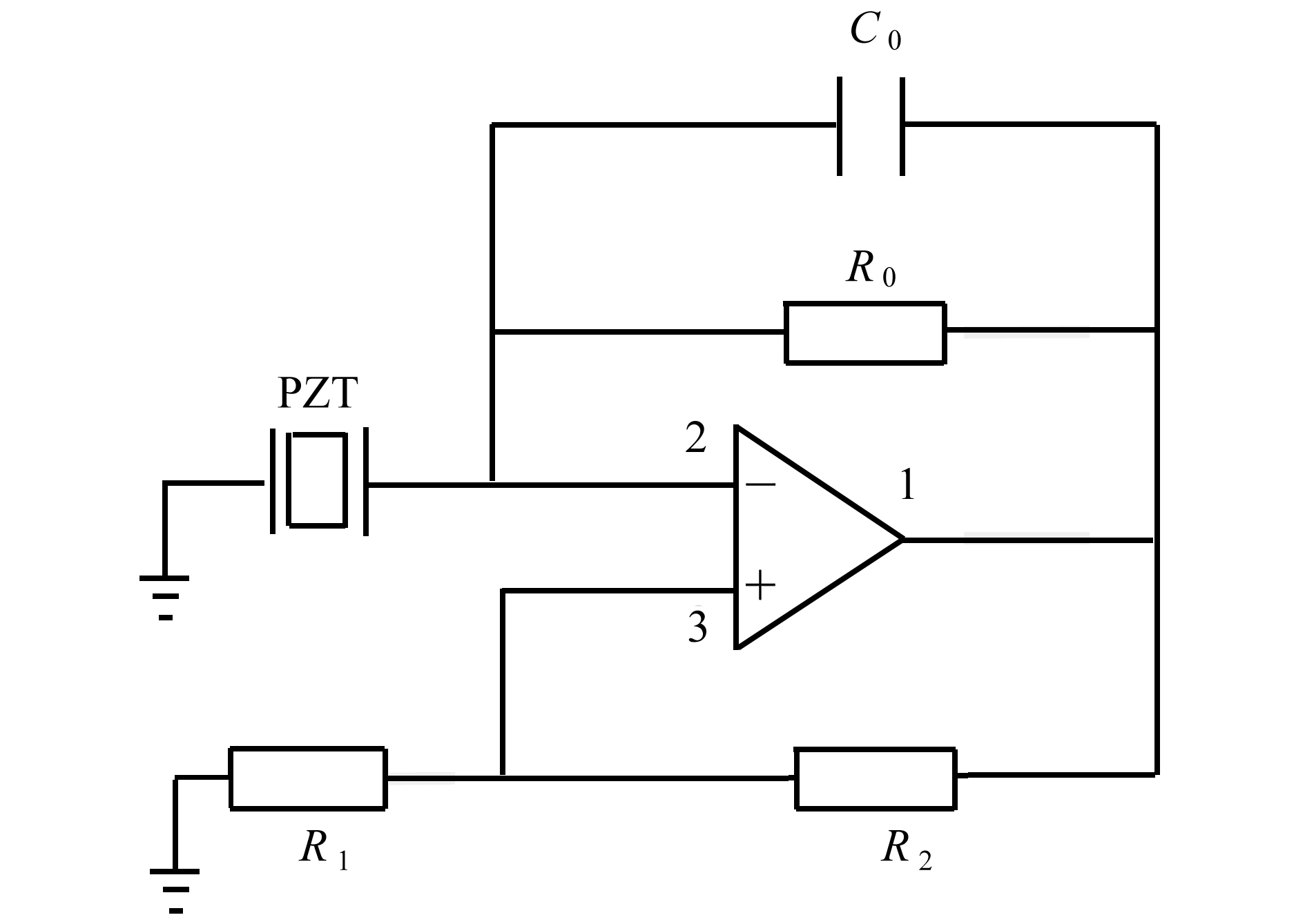
压电超材料梁中弹性波带隙特性与界面传输的主动控制
孙文静, 王毅泽
2022, 43(1): 14-25. doi: 10.21656/1000-0887.420125
摘要(1876) HTML (629) PDF(148)
摘要:

该文采用周期压电负电容电路,研究了弹性波超材料梁中带隙特性的主动控制问题。该系统利用外部电路改变所连接压电材料的材料参数,从而改变结构的等效参数,实现对带隙特性的调控。通过对单胞进行控制,可观察到主动控制系统作用时带隙的产生与消失。构造了含有交界面的弹性波超材料梁结构,分析了主动控制系统对波动界面传输特性的影响。

航天器中精密器件布局的保结构优化
蒋睿嵩, 徐萌波, 张帆, 胡伟鹏, 邓子辰
2022, 43(1): 26-33. doi: 10.21656/1000-0887.420095
摘要(1240) HTML (691) PDF(84)
摘要:

航天器中精密器件的稳定性和工作精度决定于器件布置位置的局部结构振动特性,而航天器局部振动特性又受到精密器件布局的影响。因此,航天器中精密器件的布局优化是确保其稳定高效工作的前提条件。该文建立了粘接精密器件的航天器局部柔性薄板结构的动力学模型,发展保结构分析方法模拟了薄板结构的局部振动特性。考虑精密器件形状和尺寸、散热间隙要求等布局约束条件,以各器件布局位置最大面外振动加速度加权值最小化为优化目标,对精密器件布局进行优化设计。优化结果表明:由于所提出的精密器件布局优化设计方法在模拟结构局部振动特性过程中采用了能够较为精确捕捉系统局部动力学特性的保结构分析方法,大幅提高优化效率的同时能够大幅降低器件布局位置最大面外振动加速度;通过布局优化设计,各器件布局位置最大面外振动加速度加权值减小约88.05%,这一结果对提高航天器内精密器件工作稳定性和精度具有一定的参考价值。

基于剪切效应纤维梁单元的结构非线性有限元数值模拟
李嘉钰, 陈梦成, 王开心
2022, 43(1): 34-48. doi: 10.21656/1000-0887.420032
摘要(1364) HTML (537) PDF(110)
摘要:

基于Euler-Bernoulli梁理论的经典纤维模型忽略了剪切变形给截面带来的影响,为了得到更加精确的梁单元模型,该文基于考虑剪切效应的纤维梁单元,根据Timoshenko梁理论,推导了该纤维梁单元的刚度矩阵,并结合弹塑性增量理论,同时考虑了几何非线性和材料非线性的双重影响,建立了压弯剪复杂应力状态下结构非线性有限元分析理论。该文最后利用MATLAB编制了相关计算程序,对钢筋混凝土和矩形钢管混凝土的典型压弯剪构件进行有限元数值模拟,得到了构件的荷载-位移非线性全过程曲线。典型算例的验证结果表明:该文建立的非线性有限元分析理论是通用、可行和正确的。

流体力学
壁面结构对三维可压缩气泡群影响的数值模拟研究
WANG Jincheng, GUAN Hui, WEI Zhijun, WU Chuijie
2022, 43(1): 49-62. doi: 10.21656/1000-0887.420041
摘要(1070) HTML (436) PDF(60)
摘要:

基于流体体积(VOF)法追踪自由液面,研究了壁面结构对三维可压缩气泡群流动的影响。通过在待测壁面上设置不同形状的壁面结构(长方体、椭球体和圆锥体)并改变它们各自的几何参数(位置和长度),来研究壁面结构对壁面附近的气泡群流动的影响,该影响表现为气泡群对壁面的空间平均压力。研究发现,壁面结构对气泡群的拓扑结构的影响会造成壁面压力的变化,其中长方体壁面结构降低壁面平均压力的效果最好,且通过适当调整该结构的位置和长度,能使壁面的压力脉动现象消失。

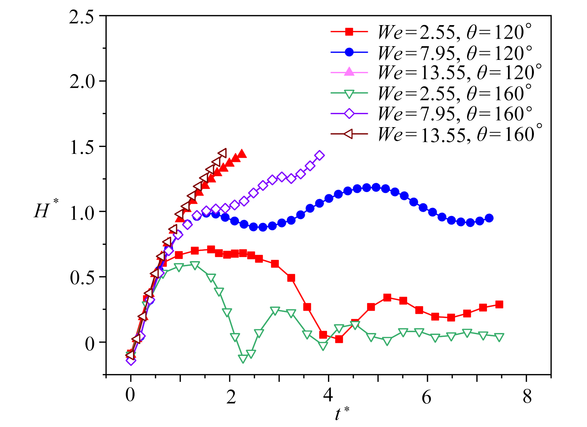
基于格子Boltzmann方法的液滴撞击具有不同润湿性孔板的研究
梁佳, 高明, 陈露, 王东民, 王治云, 章立新
2022, 43(1): 63-76. doi: 10.21656/1000-0887.420076
摘要(1267) HTML (595) PDF(73)
摘要:

基于格子Boltzmann方法,对液滴撞击不同湿润性节流孔板表面进行了数值模拟。主要研究了在液滴撞击过程中,Weber数(We)、孔板表面湿润性和孔板尺寸对液滴通过孔板时不同状态的影响。数值模拟结果表明:孔板为亲水特性时,在较低We下,液滴不会与孔板表面脱离,而是附着在孔板下表面,并且在毛细作用下液滴会在孔道中上升一段距离,形成液塞现象,在较高We下,液滴会穿过孔板,并发生破裂现象;孔板为疏水特性时,在较低We下,液滴无法穿过孔板,且无法迁移至下表面,最终稳定在孔板孔道上,在较高We下,液滴能穿过孔板,穿过时会发生破裂,孔板上表面会残留液滴。改变孔板尺寸发现,在较小的孔板孔径以及较厚的孔板厚度下,液滴不易通过。

基于卷积神经网络气动力降阶模型的翼型优化方法
王沐晨, 李立州, 张珺, 黄钰棋, 张林, 石玥
2022, 43(1): 77-83. doi: 10.21656/1000-0887.420137
摘要(1698) HTML (610) PDF(149)
摘要:

针对非线性大扰动翼型气动力优化问题,提出了基于卷积神经网络气动力降阶模型的优化方法。该方法用不同形状参数下翼型的气动力数据作为训练信号,训练卷积神经网络翼型气动力降阶模型。采用该气动力降阶模型,以最大升阻比为目标,对翼型进行优化,结果表明该方法可用于大扰动下翼型气动力的预测和优化。该文同时还讨论了池化法和径向基法的训练信号数据降维方法对降阶模型精度的影响,结果表明训练信号数据降维能够提高气动力降阶模型的精度。其原因在于训练信号数据降维可以减少神经网络模型的待定参数的个数,在相同数据量下神经网络模型收敛得更好。

应用数学
Vallis系统的不变代数曲面研究
杨静, 谈文慧, 魏周超
2022, 43(1): 84-93. doi: 10.21656/1000-0887.420112
摘要(1166) HTML (627) PDF(107)
摘要:

该文研究了Vallis系统的Darboux多项式和不变代数曲面问题。 在证明中,使用加权齐次多项式和特征曲线的方法,通过求解线性偏微分方程,得到了在适当的参数条件下,Vallis系统存在三类Darboux多项式。

基于自适应控制的四元数时滞神经网络的有限时间同步
赵玮, 任凤丽
2022, 43(1): 94-103. doi: 10.21656/1000-0887.420068
摘要(1561) HTML (801) PDF(101)
摘要:

文章主要研究了自适应控制下四元数时滞神经网络的有限时间完全同步,通过设计一组有效新颖的自适应控制器,使得主从系统实现有限时间同步,并计算出停息时间的理论估计。利用Lyapunov函数方法和不等式技巧,给出了四元数时滞神经网络主从系统有限时间同步的充分条件。最后,通过数值仿真验证了所得理论结果的有效性。

基于actor-critic算法的分数阶多自主体系统最优主-从一致性控制
马丽新, 刘晨, 刘磊
2022, 43(1): 104-114. doi: 10.21656/1000-0887.420124
摘要(1722) HTML (769) PDF(98)
摘要:

研究了分数阶多自主体系统的最优主-从一致性问题。在考虑控制器周期间歇的前提下,将分数阶微分的一阶近似逼近式、事件触发机制和强化学习中的actor-critic算法有机整合,设计了基于周期间歇事件触发策略的强化学习算法结构。最后,通过数值仿真实验证明了该算法的可行性和有效性。

一类热弹性板的空间衰减估计
石金诚
2022, 43(1): 115-122. doi: 10.21656/1000-0887.420005
摘要(1392) HTML (561) PDF(71)
摘要:

研究了二维空间中半无限带形区域上一类含有双调和算子的热弹性系统板解的空间性质。首先构造一个能量表达式,然后利用微分不等式技术,推导出该能量表达式是可由它本身的一阶导数控制的微分不等式,最后得到解的空间衰减估计。该结果可看成是Saint-Venant原则在双曲抛物耦合双调和方程组上的应用。